HOME
事業案内
カタログ
商品紹介
会社概要
ミュー工法の機能性を支える豊富な部材
1.MU座金
2.フックボルト
3.羽子板ボルト
4.ボルト各種
5.タイボルト座金
6.T型座金
7.メタル補強器具
8.MFクランプ
9.丸タイプ座金
10.平リブ座金
No.11~21
No.22~31
4.ボルト各種
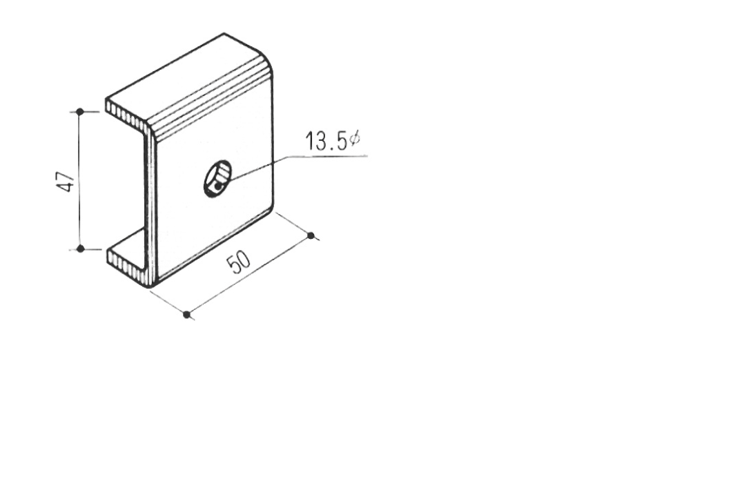
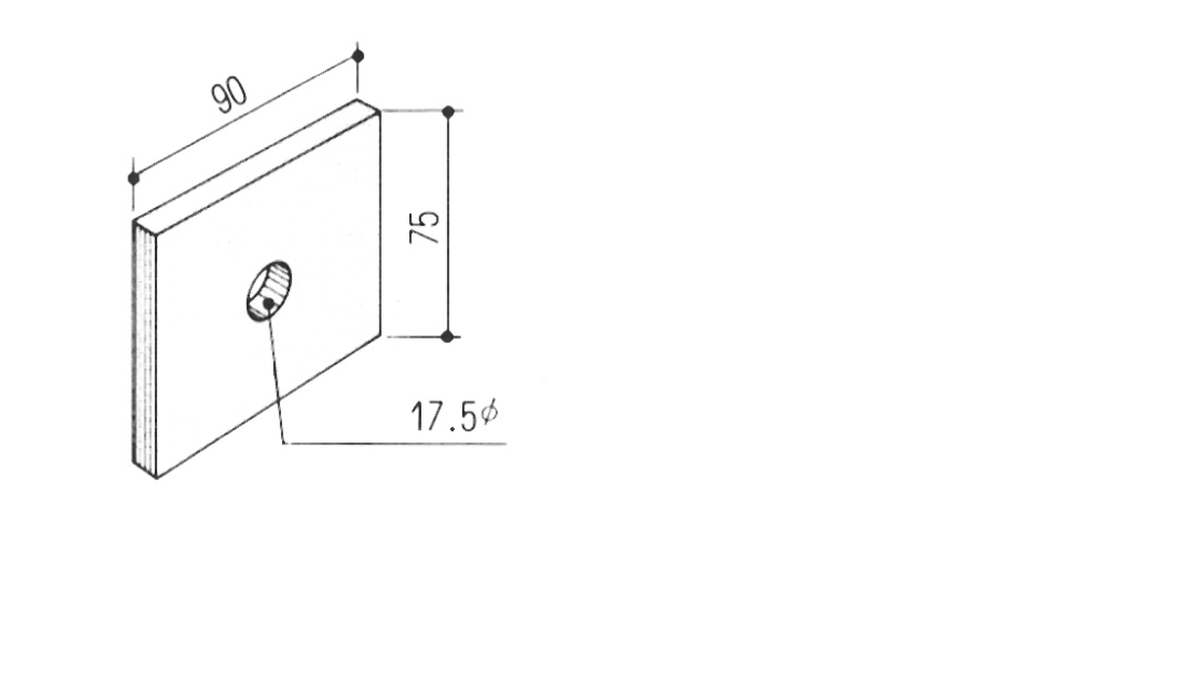
1.MU座金
MU座金
使用例
使用例
2.フックボルト
フックボルト
使用例
使用例
3.羽子板ボルト
羽子板ボルト
使用例
使用例
4.ボルト各種
ボルト各種
使用例
使用例
5.タイボルト座金
タイボルト座金
使用例
使用例
6.T型座金
T型座金
使用例
使用例
7.メタル補強器具
メタル補強器具
使用例
使用例
8.MFクランプ
MFクランプ
使用例
使用例
9.丸タイプ座金
丸タイプ座金
使用例
使用例
10.平リブ座金
平リブ座金
使用例
使用例
MU工法
No.11~21
No.22~31
No.11~21